防爆閥FBF-Ⅲ
丁寶勤 13906276368(技術)
電話:0513-88400999 傳真:0513-88400998 郵箱:jszk@vip.163.com

一、概述
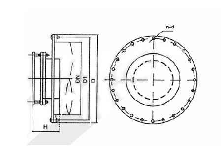
防爆閥FBF-Ⅲ廣泛用于建材、冶金、化工、電力等行業部門,作為壓縮易爆氣體管道系統的卸壓裝置。江蘇中礦防爆閥FBF-Ⅲ結構簡單,由法蘭、盲板、筒體和防爆閥片組成。當系統壓力大于表壓力時,防爆閥片自行破裂,防止系統發生爆炸,以保證生產和人身安全。
二、防爆閥,FBF防爆閥主要性能
適用介質:壓縮易爆氣體
工作溫度:≤300℃
使用壓力:0.1MPa 防爆閥型號編制說明FBF-防爆閥I-斜裝Π-正裝
三、防爆閥,FBF防爆閥主要外形及連接尺寸表
DN | D | D1 | D2 | Η | a | b | n | d | 重量(kg) |
200 | 285 | 245 | 212 | 200 | 422 | 334 | 8 | 14 | 41 |
300 | 425 | 385 | 325 | 300 | 582 | 447 | 12 | 18 | 27.8 |
350 | 477 | 435 | 377 | 350 | 655 | 499 | 12 | 18 | 32.8 |
400 | 536 | 490 | 426 | 400 | 724 | 548 | 16 | 18 | 40.3 |
450 | 588 | 540 | 478 | 450 | 799 | 600 | 16 | 18 | 47.0 |
500 | 649 | 600 | 529 | 500 | 871 | 651 | 20 | 18 | 54.6 |
600 | 750 | 700 | 630 | 550 | 1014 | 752 | 20 | 18 | 71.3 |
700 | 850 | 800 | 720 | 550 | 1140 | 842 | 20 | 22 | 91.5 |
800 | 950 | 900 | 820 | 600 | 1282 | 942 | 24 | 22 | 111 |
900 | 1050 | 1000 | 920 | 650 | 1424 | 1024 | 24 | 22 | 130 |
1000 | 1175 | 1120 | 1020 | 700 | 1640 | 1124 | 28 | 26 | 260 |
上一頁:破碎閥
下一頁:防爆閥FBF-I FBF-II