NSE系列高速板鏈斗式提升機
周先生 13906278080 丁寶勤 13906276368
電話:0513-88400999 傳真:0513-88400998 郵箱:jszk@vip.163.com


產品概述
NSE系列高速板鏈斗式提升機是一種垂直提升設備。這類產品被廣泛用于提升粉狀和小顆粒狀物料。
NSE系列高速板鏈斗式提升機共有九種基本型號:NSE100、NSE200、NSE300、NSE400、NSE500、NSE600、NSE700、NSE800、NSE1000,每種型號根據輸送物料的不同,選擇不同的提升速度,提升速度≤70m/min,提升高度65m。另外,中礦公司還可根據用戶要求輸送量介于上述型號之間的擴展型號。
I. Brief description
NSE high-speed plate chain bucket elevator is a new type of vertical lifting equipment developed by CMHE after CMHE absorbing the foreign advanced technology. In each industrial country, this kind of product is widely used for lifting powdery and granular materials.
NSE high-speed plate chain bucket elevator has 9 models: NSE 100, NSE200, NSE300, NSE400, NSE500, NSE600, NSE700, NSE800 and NSE1000. Each model has different lifting speed according to different materials to be conveyed. The maximum lifting speed should be 彡 70m/min, and the maximum lifting height is 65m. Besides, CMHE can provide other models according to clients' requirements.
產品特點

型號說明
.png)
結構
NSE板鏈式提升機由運行部件、驅動裝置、上部裝置、中部機殼、下部裝置組成。
運行部件一一由料斗和套簡滾子鏈組成。
驅動裝置一一由驅動平臺、驅動組合、傳動鏈組成。驅動組合分為兩種:①鏈傳動:通常由ZSY硬齒面減速機(或JZQ減速機)、YOX液力偶合器、Y系列電機、XWD減速機、電磁離合器(或手動離合器)組成;②直聯:采用直交軸硬齒面減速機與提升機主軸直聯,Y系列電機與減速機之間采用偶合器(聯軸器)聯接。
驅動裝置分左裝和右裝兩種。分別與提升機左、右裝對應。
左裝:為人面對進料口,驅動裝置組合在左側。
右裝:為人面對進料口,驅動裝置組合在右側。
上部裝置——有上部機殼、上罩、卸料口(裝有防回料板)、頭軸裝配、逆止器等部件。
中部機殼——分為與上部裝置聯接的帶支撐中間節、帶檢視門中間節、標準中間節(均為3.0米高)和非標準中間節。
下部裝置——包括下部機殼、進料口、尾軸裝配、張緊裝置,并有旋轉探測儀、料位開關供選配。
III. Structure
NSE plate chain elevator is comprised of running parts, drive, upper device, middle casing and lower device.
Running parts composed of buckets and bush roller chain.
Drive——composed of drive platform, drive assembly and transmission chain. The drive assembly has two kinds:①chain drive: often comprised of ZSY hard-toothed surface reducer (or JZQ reducer), YOX fluid coupling, Y-series motor, XWD reducer, and electromagnetic clutch (or manual clutch); ©direct drive: connect the reducer of rectangular axis and hard-toothed surface to the elevator shaft, and use coupling to link Y-series motor and reducer.
The drive is mounted on the left or on the right, which corresponds to the left-type or the right-type elevator. Left: When the operator faces the charge inlet, the drive assembly is on the left side.
Right: When the operator faces the charge inlet, the drive assembly is on the right side.
Upper device——includes parts of upper casing, top cover, discharge outlet (with anti back feed plate), head shaft and backstop.
Middle casing——middle section with brackets which is connected to the upper device, middle section with a inspection door, standard middle section (all are 3.0 meters tall) and non-standard middle section.
Lower device~lower casing, charger inlet, tail shaft assembly, tensioner, and with optional rotary detector and level switch.
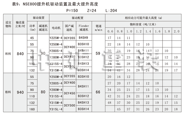
選型參數
NSE50-NSE1000型提升機的常用提升量、提升高度分別見表1-10。







適宜 物料 | 輸送量 立米/時 | 驅動裝K | 驅動配置 | 輸送量 立米/時 | |||||||||||
功率 (kw) | 減速機 減速比 | 電動機 | 國產減 速機 | Flendcr 減速機 | 鏈速 m/min | 物料容重(噸/立米) | |||||||||
0.6 | 0.8 | 1.0 | 1.2 | 1.4 | 1.6 | 1.8 | 2.0 | ||||||||
粒料 | 120 | 11 | 80 | Y160M-4 | DCY224 | B4SH5 | 44 | 32 | 23 | 18 | 15 | 12.4 | |||
15 | Y160L-4 | 43 | 32 | 26 | 21 | 18 | 15 | ||||||||
18.5 | Y180M-4 | DCY250 | B3SH6 | 52 | 40 | 32 | 27 | 22 | 19 | 17 | |||||
22 | Y180L-4 | DCY280 | B4SH7 | 48 | 38 | 32 | 27 | 23 | 20 | 18 | |||||
30 | Y200L-4 | DCY315 | 53 | 43 | 37 | 32 | 28 | 25 | |||||||
37 | Y225S-4 | B3SH8 | 54 | 46 | 42 | 35 | 31 | ||||||||
粒料 | 140 | 11 | 71 | Y160M-4 | DCY200 | B3SH4 | 50 | 27 | 19 | 15 | 12 | ||||
15 | Y160L-4 | DCY224 | B3SH5 | 37 | 27 | 22 | 18 | 15 | 13 | ||||||
18.5 | Y180M-4 | DCY250 | B3SH6 | 46 | 34 | 27 | 23 | 19 | 16 | 14 | |||||
22 | Y180L-4 | 55 | 41 | 33 | 27 | 23 | 20 | 18 | 16 | ||||||
30 | Y200L-4 | DCY280 | B3SH7 | 56 | 45 | 37 | 32 | 28 | 24 | 21 | |||||
37 | Y225S-4 | DCY315 | B3SH8 | 56 | 46 | 39 | 34 | 31 | 27 | ||||||
粉料 | 180 | 18.5 | 56 | Y180M-4 | DCY224 | B3SH5 | 63 | 35 | 26 | 21 | 17 | 14 | |||
22 | Y180L-4 | DCY250 | 43 | 31 | 25 | 21 | 17 | 15 | 13 | ||||||
30 | Y200L-4 | DCY280 | B3SH6 | 59 | 44 | 37 | 29 | 24 | 21 | 19 | 17 | ||||
37 | Y225S-4 | DCY315 | B3SH7 | 54 | 43 | 36 | 30 | 26 | 23 | 21 | |||||
45 | Y225M-4 | 53 | 43 | 37 | 32 | 29 | 26 | ||||||||
55 | Y250M-4 | B3SH8 | 54 | 46 | 40 | 36 | 32 | ||||||||



訂貨須知
用戶在訂貨時請提供下列數據
設備名稱: |
| 粒數: | mm |
輸送物料: |
| 容重: | t/m3 |
輸送能力: |
| 溫度: | ℃ |
提升高度: | m | 水分 | % |
運轉時間: | H/d | 特性 | 磨損性、粘型、腐蝕性 |
使用場所: | 室外、室內 |















