礦渣微粉生產線
周先生:13906278080
電話:0513-88400999 傳真:0513-88400998 郵箱:13906278080@139.com
一部分、礦渣微粉生產線配套設備概述
一、礦渣微粉生產線配套設備介紹
序號 |
用途 |
生產線規模 |
配套設備規模 |
產量(噸/小時) |
設備簡單 描述 |
1 |
用于高爐礦渣 微粉生產 |
30萬噸/年 |
ZKMK-35.2.2X |
45-50 |
35.2.2X |
2 |
用于高爐礦渣 微粉生產 |
60萬噸/年 |
ZKMK-46.2.2X |
90-95 |
46.2.2X |
3 |
用于高爐礦渣 微粉生產 |
80萬噸/年 |
ZKMK-56.2.2X |
120-125 |
56.2.2X |
4 |
用于高爐礦渣 微粉生產 |
100萬噸/年 |
ZKMK-56.3.3X |
145-150 |
56.3.3X |
高爐礦渣是冶煉生鐵時從高爐中排出的一種廢渣。
由于煉鐵原料品種和成分的變化以及操作工藝因素的影響,礦渣的組成和性質也不同。按照冶煉生鐵的品種,高爐礦渣可分為鑄造生鐵礦渣、煉鋼生鐵礦渣和特種生鐵礦渣。按照高爐礦渣化學成分中的堿性氧化物的多少.高爐礦渣又可分為堿性礦渣、中性礦渣和酸性礦渣。
高爐礦渣可采用多種工藝加工成具有多種用途的寶貴材料。加工成礦渣碎石可代替天然砂石,作為混凝土、鋼筋混凝土以及500號以下預應力鋼筋混凝土骨料,工作溫度700℃以下的耐熱混凝土骨料,要求耐磨、防滑的高速公路、賽車場、飛機跑道等的輔助材料,鐵路道渣、填坑道地和地基墊層填料,污水處理介質等。高爐熔渣用大量水淬冷后,可制成含玻璃體為主的細粒水渣,有潛在的水硬膠凝性能,在水泥熟料、石灰、石膏等激發劑作用下,顯示出水硬膠凝性能,是優質水泥原料。我國生產的水泥有70%一80%摻用了不同數量的水渣。水渣還可作保溫材科,濕碾和濕磨礦渣,混凝土和道路工程的細骨料;土壤改良材料等。
高爐礦渣的利用途徑:高爐礦渣可采用多種工藝加工成具有多種用途的寶貴材料。加工成礦渣碎石可代替天然砂石,作為混凝土、鋼筋混凝土以及500號以下預應力鋼筋混凝土骨料,工作溫度700℃以下的耐熱混凝土骨料,要求耐磨、防滑的高速公路、賽車場、飛機跑道等的輔助材料,鐵路道渣、填坑道地和地基墊層填料,污水處理介質等。高爐熔渣用大量水淬冷后,可制成含玻璃體為主的細粒水渣,有潛在的水硬膠凝性能,在水泥熟料、石灰、石膏等激發劑作用下,顯示出水硬膠凝性能,是優質水泥原料。我國生產的水泥有70%一80%摻用了不同數量的水渣。水渣還可作保溫材科,濕碾和濕磨礦渣,混凝土和道路工程的細骨料;土壤改良材料等。
此外,高爐礦渣還可作為鑄石、微晶玻璃、肥料、搪瓷、陶瓷等的原料。建筑材料在國民經濟中占有重要地位,但它的產量增加是以生產過程中消耗大量的自然資源(如石灰石、粘土等等)為前提,考慮到可持續發展的需求,為了進一步減少自然資源的消耗,保護生態環境,就是充分利用工業廢渣,這樣做不僅有助于合理利用自然資源,還可滿足工程的許多性能的要求,而在混凝土生產中摻入礦渣微粉已成為一種新型建材越來越引起人們的重視。由于礦渣微粉價格低于水泥,摻礦渣微粉攪拌的混凝土,具有經濟性,并適合在集中攪拌的商品混凝土使用。礦渣微粉與水泥、石子、沙子攪拌成的混凝土,具有后期強度高、水化熱低、耐磨性好,與鋼筋粘結力好等優點,特別適用于高層建筑、大壩、機場、大型深基礎及水下工程等。
與國內及進口同類產品比較, 立磨具有以下特點:
1)設備能耗低,系統產量高:
2)設備制造技術引進德國公司技術,適用于難磨、高水分的水渣;
3)采用DuTe的入料形式,解決了在微粉生產中堵料現象,提高了生產運轉率;
4)采用世界上先進的的LV選粉機,在同類產品中選粉效率高,降
低了單位產品電耗,增加了用戶經濟效益;
5)磨內易磨損部位進行了耐磨處理,磨內殼體襯板采用耐磨材質,大大提高了耐磨能力,減少了檢修次數,保障了設備正常運轉率;
6)該產品具有較高的適用性,適用于多種原料情況,可應用于高水分礦渣原料,同時對于太干物料,通過設備配套的噴水裝置,進行噴水處理,穩定物料層,使設備平穩運行。
7)配套外購件采用國內高水平配置,選粉機傳動系統采用FLENDER或SEW產品;主減速機采用南高齒;所有液壓、潤滑系統采用川潤、南潤產品,電機采用湘電、蘭電產品,保證設備正常運轉;
8)返回料系統采用單Du形式,避免與來料混合入磨,減少對粉磨的影響;
9)磨盤設計采用DuTe結構,可實現排除大塊硬質物料,較少對磨機的損壞;
10)引進德國公司的專業焊接技術,對輥套、選粉機葉片進行專業堆焊補焊,保證粉磨效果,提高成品率;
11)磨機風環采用大片安裝形式,降低安裝及檢修難度,保證安裝質量,保障設備可靠性;
12)液壓系統全部采用大直徑液壓缸,保證設備運行穩定,使用可靠;
第二部分 年產60萬噸和30萬噸礦渣生產線對比說明
一、生產線投資估算對比
序號 |
分項名稱 |
年產60萬噸系統 (萬元) |
年產30萬噸系統 (萬元) |
1 |
設備及工具器具 (含非標件、電氣備) |
3100 |
1750 |
2 |
土建費 |
800 |
600 |
3 |
安裝費 |
450 |
300 |
|
合計 |
4350 |
2650 |
1、不包括土地費用、辦公設施、配供電費用。
2、由于項目現場情況和設計方案不同,實際投資會有調整。
序號 |
分項名稱 |
年產60萬噸系統成本 (元/噸) |
年產30萬噸系統成本 (元/噸) |
備注 |
1 |
原料成本 |
80 |
80 |
江蘇地區價格 |
2 |
電耗成本 |
34.08 |
37.63 |
|
3 |
燃氣成本 |
12 |
13 |
|
4 |
配件成本 |
3 |
4 |
|
5 |
稅務成本 |
3 |
3 |
|
6 |
工資成本 |
2 |
4 |
|
|
合計 |
134.08 |
141.63 |
成本降低 7.55元/噸 |
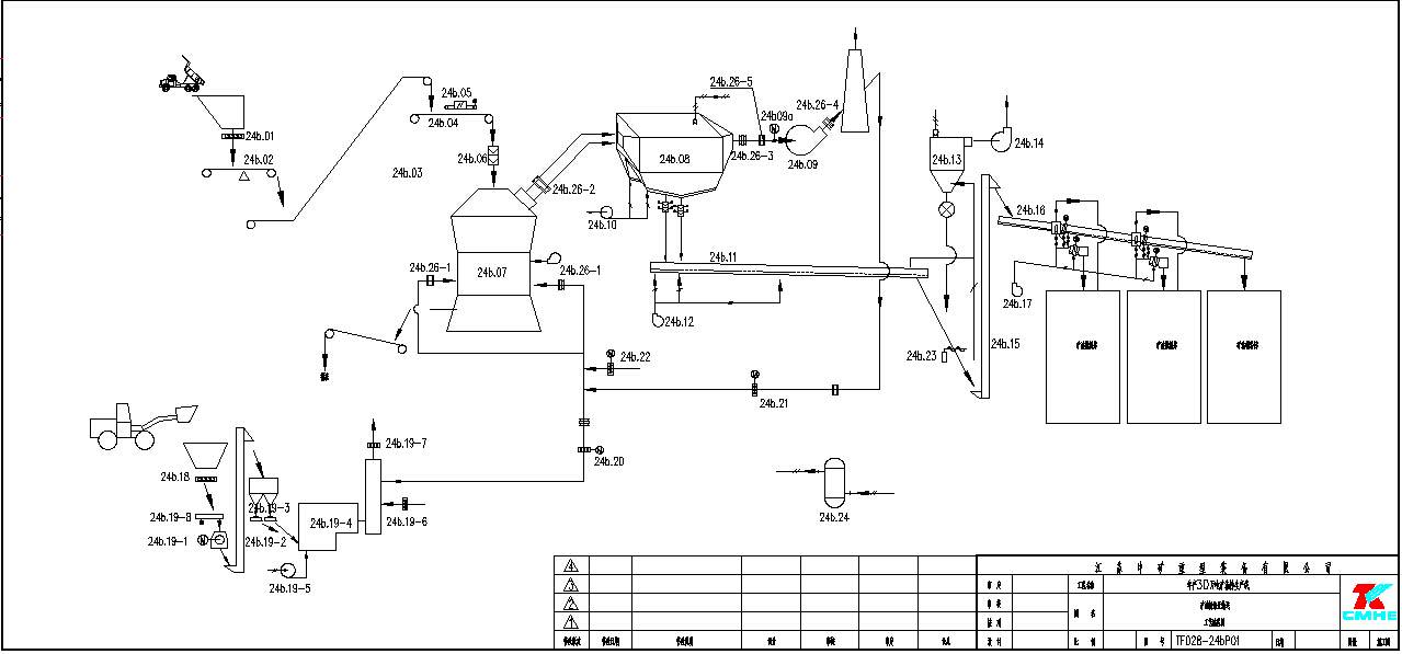
30萬噸設備表
編號 |
技術參數 |
數量 |
生產廠家 |
1 |
振動篩 |
1 |
中礦重裝 |
|
電動機(7.5KW) |
|
|
2 |
棒型閘門 |
1 |
中礦重裝 |
3 |
入料大傾角皮帶機或長皮帶機 |
1 |
中礦重裝 |
4 |
棒型閘門 |
1套 |
中礦重裝 |
5 |
調速皮帶秤 |
3套 |
中礦重裝 |
6 |
入磨皮帶機(TD75型,槽型) |
1 |
中礦重裝 |
7 |
永磁自卸式除鐵器 |
2 |
中礦重裝 |
8 |
返料斗式提升機(可變頻調速) |
1 |
中礦重裝 |
9 |
螺旋輸送機(鏈傳動懸臂結構) |
1 |
中礦重裝 |
10 |
輥式磨 |
1 |
中礦重裝 |
|
型號:SHMS35.2 |
|
|
10.1 |
主傳動電機 |
1 |
蘭電 |
10.2 |
主減速機 |
1 |
金騰 |
10.3 |
分離器電機 |
1 |
|
10.4 |
分離器減速器 |
1 |
|
10.5 |
密封空氣風機 |
1 |
|
11 |
返料皮帶機(TD75型,槽型) |
1 |
中礦重裝 |
12 |
氣箱脈沖袋收塵器(20個室) |
1 |
中礦重裝 |
12.1 |
空氣輸送斜槽 |
2 |
|
12.2 |
重力雙道翻板閥 |
2 |
|
13 |
排風機 |
1 |
中礦重裝 |
14 |
防雨型空氣輸送斜槽 |
1 |
中礦重裝 |
15 |
斜槽風機(順0º) |
1 |
中礦重裝 |
16 |
防雨型空氣輸送斜槽 |
1 |
中礦重裝 |
17 |
斜槽風機(順0º) |
1 |
|
18 |
TGD膠帶斗式提升機 |
1 |
中礦重裝 |
19 |
高效氣箱式脈沖布袋收塵器 |
2套 |
中礦重裝 |
20 |
煤破碎機 |
1 |
中礦重裝 |
21 |
NSE斗式提升機 |
1 |
中礦重裝 |
22 |
煤倉、煤斗容量:8m3 |
1 |
中礦重裝 |
23 |
圓盤給料機給料機 |
1套 |
中礦重裝 |
24 |
沸騰爐 |
1 |
中礦重裝 |
|
型號:FR8 |
|
高鋁耐火磚 |
25 |
鼓風機 |
1 |
中礦重裝 |
25.1 |
變頻器75KW |
1 |
|
26 |
手動配風閥 |
1 |
中礦重裝 |
27 |
電動蝶閥(用于冷風閥) |
1 |
中礦重裝 |
28 |
高溫電動調節百葉閥(用于熱風總管) |
1 |
中礦重裝 |
29 |
柔性膨脹節 |
1 |
中礦重裝 |
30 |
電磁碟閥DN200(引入高壓空氣清灰) |
2 |
中礦重裝 |
31 |
空氣壓縮機 |
2 |
中礦重裝 |
